مشتریان گرامی با توجه به نوسانات قیمت لطفاً قبل از ثبت سفارش با کارشناسان فروش ما جهت مشاوره در تماس باشید.
ورود به حساب
منو
بلبرینگ تماس زاویه ای 3806 2RS TN
Angular Ball Bearing 3806 2RS TN
1606ﺷﻨﺎﺳﻪ:
B3799
ﺩﺳﺘﻪ ﺑﻨﺪی:
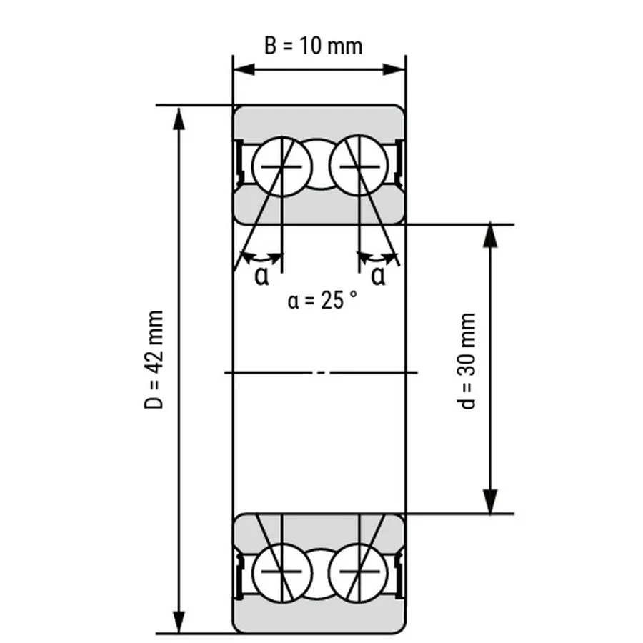
بلبرینگ های تماس زاویه ای 38ابعاد : 30x42x10mm
جنس حلقه : کروم فولاد
جنس ساچمه : کروم فولاد
جنس قفسه : پلاستیک
2RS : کاسه نمد لاستیکی در دو طرف بیرینگ
"بلبرینگ ۳۸۰۶ ۲RS TN"
شماره فنی :
3806-2RS-TN
برای سفارش تماس بگیرید
- ارسال به سراسر ایران
- تضمین کیفیت کالا
مشخصات
مشخصات و اطلاعات فنی "بلبرینگ 3806 2RS TN تماس زاویه ای"
- شناسه
- B3799
- نوع
- بلبرینگ تماس زاویه ای
- سری
- 38
- نوع واشر
- 2RS
- جنس حلقه / حلقه ها
- کروم فولاد
- جنس ساچمه ها
- کروم فولاد
- جنس قفسه
- پلاستیک
- قطر داخلی
- 30 میلی متر
- قطر خارجی
- 42 میلی متر
- پهنا
- 10 میلی متر
- Contact_Angle
- 25°
- تعداد ردیف ساچمه
- 2 ردیف
شمای فنی
دیگر بیرینگ های این سری
بلبرینگ های تماس زاویه ای سری 38
" برای مشاهده اطلاعات هر محصول بر روی نام آن کلیک کنید "
| نام | عکس | d | D | B | زاویه تماس | AK | جنس حلقه | درپوش | جنس ساچمه | جنس قفسه |
|---|---|---|---|---|---|---|---|---|---|---|
| 3801-2RS-TN | ![]() |
12 | 21 | 7 | 25° | 2 | کروم فولاد | 2RS | کروم فولاد | پلاستیک |
| 3802-2RS-TN | ![]() |
15 | 24 | 7 | 25° | 2 | کروم فولاد | 2RS | کروم فولاد | پلاستیک |
| 3803-2RS-TN | ![]() |
17 | 26 | 7 | 25° | 2 | کروم فولاد | 2RS | کروم فولاد | پلاستیک |
| 3804-2RS-TN | ![]() |
20 | 32 | 10 | 25° | 2 | کروم فولاد | 2RS | کروم فولاد | پلاستیک |
| 3805-2RS-TN | ![]() |
25 | 37 | 10 | 25° | 2 | کروم فولاد | 2RS | کروم فولاد | پلاستیک |
نمایش همه
check_circle
check_circle

جمع بندی