مشتریان گرامی با توجه به نوسانات قیمت لطفاً قبل از ثبت سفارش با کارشناسان فروش ما جهت مشاوره در تماس باشید.
ورود به حساب
منو
بلبرینگ تماس زاویه ای 3801 2RS TN
Angular Ball Bearing 3801 2RS TN
1582ﺷﻨﺎﺳﻪ:
B3725
ﺩﺳﺘﻪ ﺑﻨﺪی:
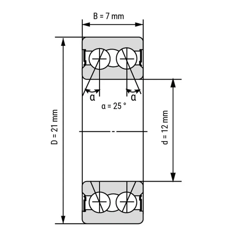
بلبرینگ های تماس زاویه ای 38ابعاد : 12x21x7mm
جنس حلقه : کروم فولاد
جنس ساچمه : کروم فولاد
جنس قفسه : پلاستیک
2RS : کاسه نمد لاستیکی در دو طرف بیرینگ
"بلبرینگ ۳۸۰۱ ۲RS TN"
شماره فنی :
3801-2RS-TN
برای سفارش تماس بگیرید
- ارسال به سراسر ایران
- تضمین کیفیت کالا
مشخصات
مشخصات و اطلاعات فنی "بلبرینگ 3801 2RS TN تماس زاویه ای"
- شناسه
- B3725
- نوع
- بلبرینگ تماس زاویه ای
- سری
- 38
- نوع واشر
- 2RS
- جنس حلقه / حلقه ها
- کروم فولاد
- جنس ساچمه ها
- کروم فولاد
- جنس قفسه
- پلاستیک
- قطر داخلی
- 12 میلی متر
- قطر خارجی
- 21 میلی متر
- پهنا
- 7 میلی متر
- Contact_Angle
- 25°
- تعداد ردیف ساچمه
- 2 ردیف
شمای فنی
دیگر بیرینگ های این سری
بلبرینگ های تماس زاویه ای سری 38
" برای مشاهده اطلاعات هر محصول بر روی نام آن کلیک کنید "
| نام | عکس | d | D | B | زاویه تماس | AK | جنس حلقه | درپوش | جنس ساچمه | جنس قفسه |
|---|---|---|---|---|---|---|---|---|---|---|
| 3801-2RS-TN | ![]() |
12 | 21 | 7 | 25° | 2 | کروم فولاد | 2RS | کروم فولاد | پلاستیک |
| 3802-2RS-TN | ![]() |
15 | 24 | 7 | 25° | 2 | کروم فولاد | 2RS | کروم فولاد | پلاستیک |
| 3803-2RS-TN | ![]() |
17 | 26 | 7 | 25° | 2 | کروم فولاد | 2RS | کروم فولاد | پلاستیک |
| 3804-2RS-TN | ![]() |
20 | 32 | 10 | 25° | 2 | کروم فولاد | 2RS | کروم فولاد | پلاستیک |
| 3805-2RS-TN | ![]() |
25 | 37 | 10 | 25° | 2 | کروم فولاد | 2RS | کروم فولاد | پلاستیک |
نمایش همه
check_circle
check_circle

جمع بندی