مشتریان گرامی با توجه به نوسانات قیمت لطفاً قبل از ثبت سفارش با کارشناسان فروش ما جهت مشاوره در تماس باشید.
ورود به حساب
منو
بلبرینگ تماس زاویه ای کف گرد ZKLF1560 2RS
Axial Angular Ball Bearing ZKLF1560 2RS
1619ﺷﻨﺎﺳﻪ:
B8539
ﺩﺳﺘﻪ ﺑﻨﺪی:
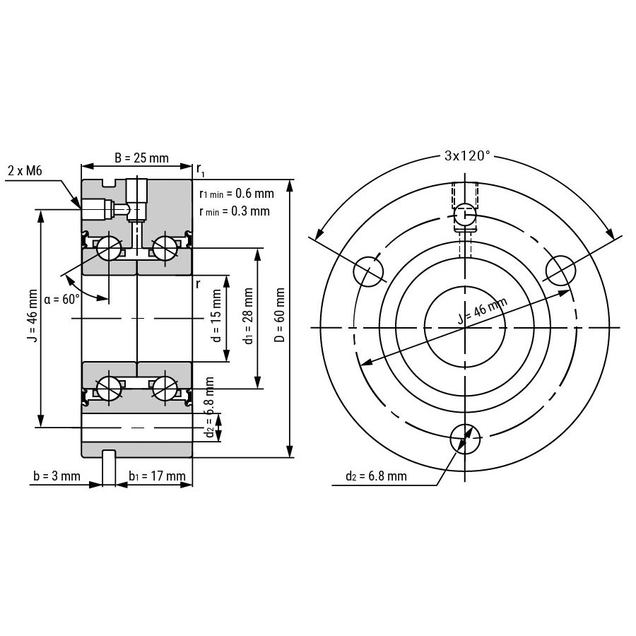
بلبرینگ های تماس زاویه ای کف گرد ZKLFابعاد : 15x60x25mm
جنس حلقه : فولاد کروم
جنس ساچمه : فولاد کروم
جنس قفسه : پلاستیک
2RS : کاسه نمد لاستیکی در دو طرف بیرینگ
"بلبرینگ ZKLF۱۵۶۰ ۲RS"
شماره فنی :
ZKLF1560-2RS
برای سفارش تماس بگیرید
- ارسال به سراسر ایران
- تضمین کیفیت کالا
مشخصات
مشخصات و اطلاعات فنی "بلبرینگ ZKLF1560 2RS تماس زاویه ای کف گرد"
- شناسه
- B8539
- نوع
- بلبرینگ تماس زاویه ای کف گرد
- سری
- ZKLF
- نوع واشر
- 2RS
- جنس حلقه / حلقه ها
- فولاد کروم
- جنس ساچمه ها
- فولاد کروم
- جنس قفسه
- پلاستیک
- قطر داخلی
- 15 میلی متر
- قطر خارجی
- 60 میلی متر
- پهنا
- 25 میلی متر
- تعداد ردیف ساچمه
- 2 ردیف
شمای فنی
دیگر بیرینگ های این سری
بلبرینگ های تماس زاویه ای کف گرد سری ZKLF
" برای مشاهده اطلاعات هر محصول بر روی نام آن کلیک کنید "
| نام | عکس | d | D | B | درپوش | جنس حلقه | جنس ساچمه | جنس قفسه |
|---|---|---|---|---|---|---|---|---|
| ZKLF1255-2RS | ![]() |
12 | 55 | 25 | 2RS | فولاد کروم | فولاد کروم | پلاستیک |
| ZKLF1560-2RS | ![]() |
15 | 60 | 25 | 2RS | فولاد کروم | فولاد کروم | پلاستیک |
| ZKLF1762-2RS | ![]() |
17 | 62 | 25 | 2RS | فولاد کروم | فولاد کروم | پلاستیک |
| ZKLF2068-2RS | ![]() |
20 | 68 | 28 | 2RS | فولاد کروم | فولاد کروم | پلاستیک |
| ZKLF2575-2RS | ![]() |
25 | 75 | 28 | 2RS | فولاد کروم | فولاد کروم | پلاستیک |
نمایش همه
check_circle
check_circle



جمع بندی