مشتریان گرامی با توجه به نوسانات قیمت لطفاً قبل از ثبت سفارش با کارشناسان فروش ما جهت مشاوره در تماس باشید.
ورود به حساب
منو
بلبرینگ یاتاقانی UC206
Radial Insert Ball Bearing UC206
1689ﺷﻨﺎﺳﻪ:
B3941
ﺩﺳﺘﻪ ﺑﻨﺪی:
بلبرینگ های یاتاقانی UC2جنس حلقه : کروم فولاد
جنس ساچمه : کروم فولاد
جنس قفسه : ورق فولاد
"بلبرینگ UC۲۰۶"
شماره فنی :
UC206
برای سفارش تماس بگیرید
- ارسال به سراسر ایران
- تضمین کیفیت کالا
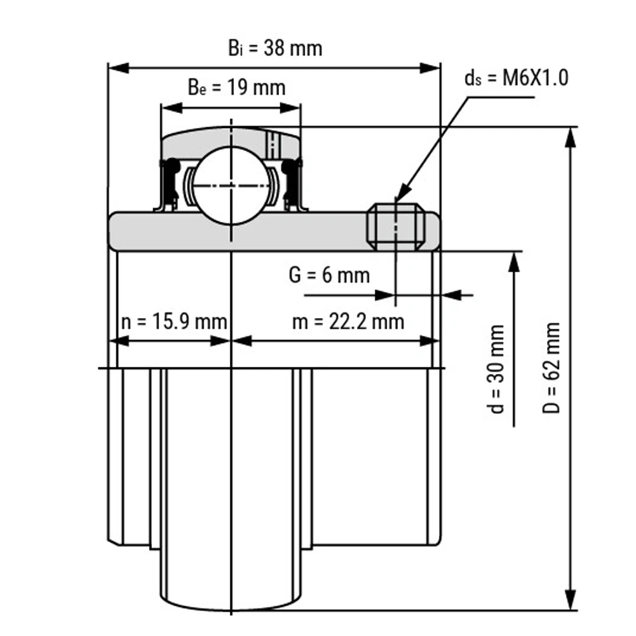
مشخصات
مشخصات و اطلاعات فنی "بلبرینگ UC206 یاتاقانی"
- شناسه
- B3941
- نوع
- بلبرینگ یاتاقانی
- سری
- UC2
- نوع واشر
- 2 تکه
- جنس حلقه / حلقه ها
- کروم فولاد
- جنس ساچمه ها
- کروم فولاد
- جنس قفسه
- ورق فولاد
- قطر داخلی
- 30 میلی متر
- قطر خارجی
- 62 میلی متر
- BeB_mm
- 19 میلی متر
- Bi_mm
- 38.1 میلی متر
- حداکثر کشش گشتاور
- 5.5 نیوتن متر
- Ext_Inner_Ring
- هردو طرف
- ds
- M6
شمای فنی
دیگر بیرینگ های این سری
بلبرینگ های یاتاقانی سری UC2
" برای مشاهده اطلاعات هر محصول بر روی نام آن کلیک کنید "
| نام | عکس | d | D | Be/B | Bi | شفت بندی | گشتاور | جنس حلقه | درپوش | جنس ساچمه | جنس قفسه |
|---|---|---|---|---|---|---|---|---|---|---|---|
| UC201 | ![]() |
12 | 47 | 17 | 31 | Grub Screws | 5.5 | کروم فولاد | 2 تکه | کروم فولاد | ورق فولاد |
| UC202 | ![]() |
15 | 47 | 17 | 31 | Grub Screws | 5.5 | کروم فولاد | 2 تکه | کروم فولاد | ورق فولاد |
| UC203 | ![]() |
17 | 47 | 17 | 31 | Grub Screws | 5.5 | کروم فولاد | 2 تکه | کروم فولاد | ورق فولاد |
| UC204 | ![]() |
20 | 47 | 17 | 31 | Grub Screws | 5.5 | کروم فولاد | 2 تکه | کروم فولاد | ورق فولاد |
| UC205 | ![]() |
25 | 52 | 17 | 34 | Grub Screws | 5.5 | کروم فولاد | 2 تکه | کروم فولاد | ورق فولاد |
نمایش همه
check_circle
check_circle

جمع بندی