مشتریان گرامی با توجه به نوسانات قیمت لطفاً قبل از ثبت سفارش با کارشناسان فروش ما جهت مشاوره در تماس باشید.
ورود به حساب
منو
بلبرینگ شیار عمیق مینیاتوری R2 2RS
Miniature Deep Groove Ball Bearing R2 2RS
1932ﺷﻨﺎﺳﻪ:
B987
ﺩﺳﺘﻪ ﺑﻨﺪی:
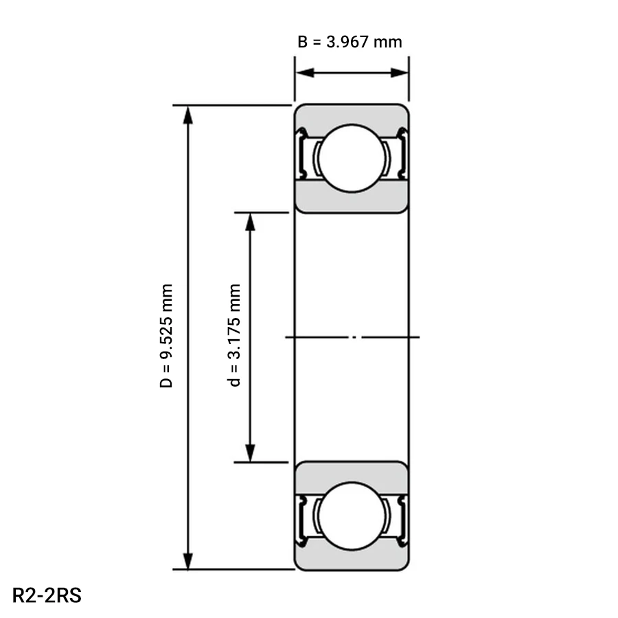
بلبرینگ های شیار عمیق مینیاتوری Rابعاد : 3.175x9.525x3.967mm
جنس حلقه : کروم فولاد
جنس ساچمه : کروم فولاد
جنس قفسه : ورق فولاد
2RS : کاسه نمد لاستیکی در دو طرف بیرینگ
"بلبرینگ R۲ ۲RS"
شماره فنی :
R2-2RS
برای سفارش تماس بگیرید
- ارسال به سراسر ایران
- تضمین کیفیت کالا
مشخصات
مشخصات و اطلاعات فنی "بلبرینگ R2 2RS شیار عمیق مینیاتوری"
- شناسه
- B987
- نوع
- بلبرینگ شیار عمیق مینیاتوری
- سری
- R
- نوع واشر
- 2RS
- جنس حلقه / حلقه ها
- کروم فولاد
- جنس ساچمه ها
- کروم فولاد
- جنس قفسه
- ورق فولاد
- قطر داخلی
- 3.175 میلی متر
- قطر خارجی
- 9.525 میلی متر
- پهنا
- 3.967 میلی متر
- لقی داخلی
- CN
- تعداد ردیف ساچمه
- 1 ردیف
شمای فنی
دیگر بیرینگ های این سری
بلبرینگ های شیار عمیق مینیاتوری سری R
" برای مشاهده اطلاعات هر محصول بر روی نام آن کلیک کنید "
| نام | عکس | d | D | B | لقی | جنس حلقه | درپوش | جنس ساچمه | جنس قفسه |
|---|---|---|---|---|---|---|---|---|---|
| R133-W1.588 | ![]() |
2.38 | 4.76 | 1.588 | CN | کروم فولاد | ندارد | کروم فولاد | ورق فولاد |
| R133-ZZ | ![]() |
2.38 | 4.76 | 2.38 | CN | کروم فولاد | ZZ | کروم فولاد | ورق فولاد |
| R1-5-ZZ | ![]() |
2.38 | 7.938 | 3.571 | CN | کروم فولاد | ZZ | کروم فولاد | ورق فولاد |
| R144-W2.38 | ![]() |
3.175 | 6.35 | 2.38 | CN | کروم فولاد | ندارد | کروم فولاد | ورق فولاد |
| R144-ZZ | ![]() |
3.175 | 6.35 | 2.779 | CN | کروم فولاد | ZZ | کروم فولاد | ورق فولاد |
نمایش همه
check_circle
check_circle


جمع بندی