مشتریان گرامی با توجه به نوسانات قیمت لطفاً قبل از ثبت سفارش با کارشناسان فروش ما جهت مشاوره در تماس باشید.
ورود به حساب
منو
غلتک رولبرینگ NA2205 2RS
Yoke Type Track Roller NA2205 2RS
1578ﺷﻨﺎﺳﻪ:
B7878
ﺩﺳﺘﻪ ﺑﻨﺪی:
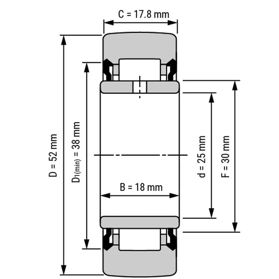
غلتک رولبرینگ NA22ابعاد : 25x52x18mm
جنس حلقه : کروم فولاد
جنس ساچمه : کروم فولاد
جنس قفسه : ورق فولاد
2RS : کاسه نمد لاستیکی در دو طرف بیرینگ
"غلتک NA۲۲۰۵ ۲RS"
شماره فنی :
NA2205-2RS
برای سفارش تماس بگیرید
- ارسال به سراسر ایران
- تضمین کیفیت کالا
مشخصات
مشخصات و اطلاعات فنی "غلتک NA2205 2RS غلتک رولبرینگ"
- شناسه
- B7878
- نوع
- غلتک رولبرینگ
- سری
- NA22
- نوع واشر
- 2RS
- جنس حلقه / حلقه ها
- کروم فولاد
- جنس ساچمه ها
- کروم فولاد
- جنس قفسه
- ورق فولاد
- قطر داخلی
- 25 میلی متر
- قطر خارجی
- 52 میلی متر
- پهنا
- 18 میلی متر
شمای فنی
دیگر بیرینگ های این سری
غلتک رولبرینگ سری NA22
" برای مشاهده اطلاعات هر محصول بر روی نام آن کلیک کنید "
| نام | عکس | d | D | B | درپوش | جنس حلقه | جنس ساچمه | جنس قفسه |
|---|---|---|---|---|---|---|---|---|
| NA22/6-2RS | ![]() |
6 | 19 | 12 | 2RS | کروم فولاد | کروم فولاد | ورق فولاد |
| NA22/8-2RS | ![]() |
8 | 24 | 12 | 2RS | کروم فولاد | کروم فولاد | ورق فولاد |
| NA2200-2RS | ![]() |
10 | 30 | 14 | 2RS | کروم فولاد | کروم فولاد | ورق فولاد |
| NA2201-2RS | ![]() |
12 | 32 | 14 | 2RS | کروم فولاد | کروم فولاد | ورق فولاد |
| NA2202-2RS | ![]() |
15 | 35 | 14 | 2RS | کروم فولاد | کروم فولاد | ورق فولاد |
نمایش همه
check_circle
check_circle

جمع بندی