مشتریان گرامی با توجه به نوسانات قیمت لطفاً قبل از ثبت سفارش با کارشناسان فروش ما جهت مشاوره در تماس باشید.
  
                  
  
  
        
      
      ورود به حساب
     
    
    
    
  
                    
                        
                        
                        
                    
                    منو
                
                
             
                          غلتک رولبرینگ NA22/8 2RS
Yoke Type Track Roller NA22/8 2RS
1590ﺷﻨﺎﺳﻪ:
B7872
ﺩﺳﺘﻪ ﺑﻨﺪی:
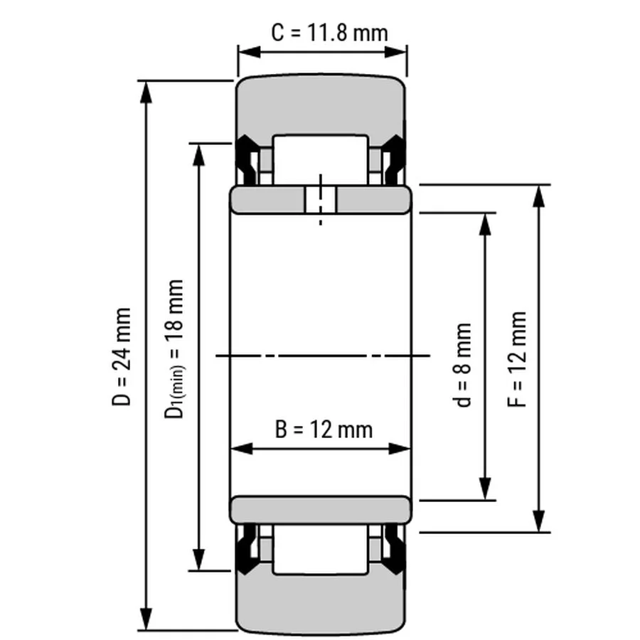
غلتک رولبرینگ NA22ابعاد : 8x24x12mm
جنس حلقه : کروم فولاد
جنس ساچمه : کروم فولاد
جنس قفسه : ورق فولاد
2RS : کاسه نمد لاستیکی در دو طرف بیرینگ
"غلتک NA۲۲/۸ ۲RS"
شماره فنی :
NA22/8-2RS
                        برای سفارش تماس بگیرید
                    
                - ارسال به سراسر ایران
- تضمین کیفیت کالا
          مشخصات
        
            مشخصات و اطلاعات فنی "غلتک NA22/8 2RS غلتک رولبرینگ"
- شناسه
- B7872
- نوع
- غلتک رولبرینگ
- سری
- NA22
- نوع واشر
- 2RS
- جنس حلقه / حلقه ها
- کروم فولاد
- جنس ساچمه ها
- کروم فولاد
- جنس قفسه
- ورق فولاد
- قطر داخلی
- 8 میلی متر
- قطر خارجی
- 24 میلی متر
- پهنا
- 12 میلی متر
              شمای فنی
            
             
                          
  دیگر بیرینگ های این سری
غلتک رولبرینگ سری NA22
" برای مشاهده اطلاعات هر محصول بر روی نام آن کلیک کنید "
| نام | عکس | d | D | B | درپوش | جنس حلقه | جنس ساچمه | جنس قفسه | 
|---|---|---|---|---|---|---|---|---|
| NA22/6-2RS |  | 6 | 19 | 12 | 2RS | کروم فولاد | کروم فولاد | ورق فولاد | 
| NA22/8-2RS |  | 8 | 24 | 12 | 2RS | کروم فولاد | کروم فولاد | ورق فولاد | 
| NA2200-2RS |  | 10 | 30 | 14 | 2RS | کروم فولاد | کروم فولاد | ورق فولاد | 
| NA2201-2RS |  | 12 | 32 | 14 | 2RS | کروم فولاد | کروم فولاد | ورق فولاد | 
| NA2202-2RS |  | 15 | 35 | 14 | 2RS | کروم فولاد | کروم فولاد | ورق فولاد | 
نمایش همه
check_circle
check_circle
 
                
جمع بندی