مشتریان گرامی با توجه به نوسانات قیمت لطفاً قبل از ثبت سفارش با کارشناسان فروش ما جهت مشاوره در تماس باشید.
ورود به حساب
منو
غلتک بلبرینگ LR6002 2RS TN
Ball Type Track Roller LR6002 2RS TN
1441ﺷﻨﺎﺳﻪ:
B8022
ﺩﺳﺘﻪ ﺑﻨﺪی:
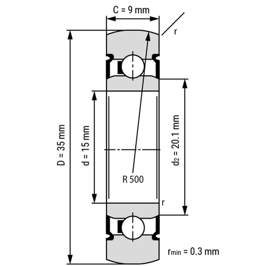
غلتک بلبرینگ LR60ابعاد : 15x35x9mm
جنس حلقه : کروم فولاد
جنس ساچمه : کروم فولاد
جنس قفسه : پلاستیک
2RS : کاسه نمد لاستیکی در دو طرف بیرینگ
"غلتک LR۶۰۰۲ ۲RS TN"
شماره فنی :
LR6002-2RS-TN
برای سفارش تماس بگیرید
- ارسال به سراسر ایران
- تضمین کیفیت کالا
مشخصات
مشخصات و اطلاعات فنی "غلتک LR6002 2RS TN غلتک بلبرینگ"
- شناسه
- B8022
- نوع
- غلتک بلبرینگ
- سری
- LR60
- نوع واشر
- 2RS
- جنس حلقه / حلقه ها
- کروم فولاد
- جنس ساچمه ها
- کروم فولاد
- جنس قفسه
- پلاستیک
- قطر داخلی
- 15 میلی متر
- قطر خارجی
- 35 میلی متر
- پهنا
- 9 میلی متر
شمای فنی
دیگر بیرینگ های این سری
غلتک بلبرینگ سری LR60
" برای مشاهده اطلاعات هر محصول بر روی نام آن کلیک کنید "
| نام | عکس | d | D | B | درپوش | جنس حلقه | جنس ساچمه | جنس قفسه |
|---|---|---|---|---|---|---|---|---|
| LR6000-2RS | ![]() |
10 | 28 | 8 | 2RS | کروم فولاد | کروم فولاد | ورق فولاد |
| LR6001-2RS | ![]() |
12 | 30 | 8 | 2RS | کروم فولاد | کروم فولاد | ورق فولاد |
| LR6002-2RS | ![]() |
15 | 35 | 9 | 2RS | کروم فولاد | کروم فولاد | ورق فولاد |
| LR6002-2RS-TN | ![]() |
15 | 35 | 9 | 2RS | کروم فولاد | کروم فولاد | پلاستیک |
| LR6004-2RS-TN | ![]() |
20 | 47 | 12 | 2RS | کروم فولاد | کروم فولاد | پلاستیک |
check_circle
check_circle

جمع بندی