مشتریان گرامی با توجه به نوسانات قیمت لطفاً قبل از ثبت سفارش با کارشناسان فروش ما جهت مشاوره در تماس باشید.
ورود به حساب
منو
غلتک بلبرینگ LR6001 2RS
Ball Type Track Roller LR6001 2RS
1443ﺷﻨﺎﺳﻪ:
B8020
ﺩﺳﺘﻪ ﺑﻨﺪی:
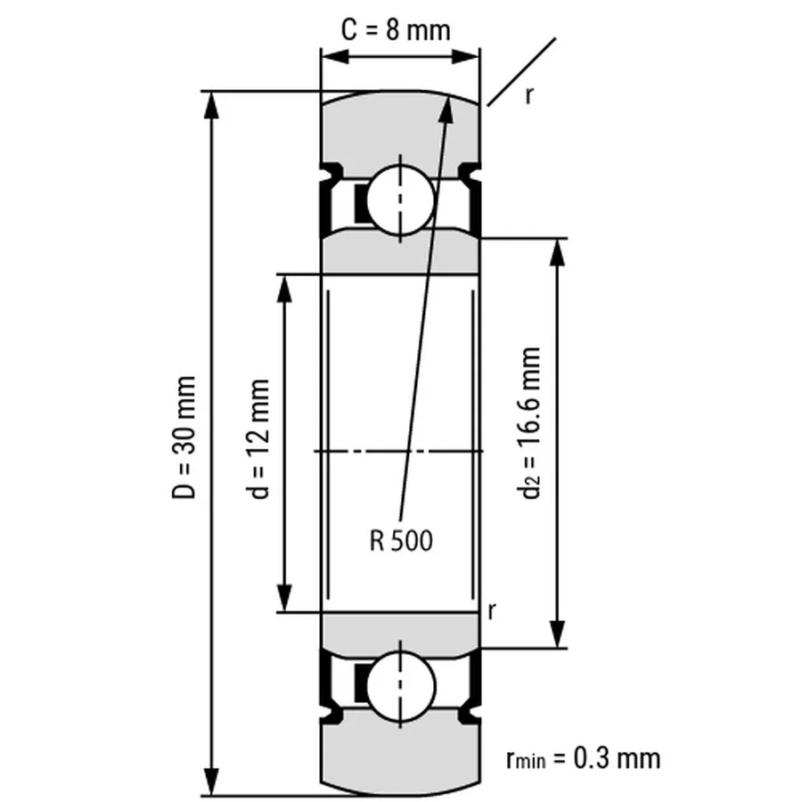
غلتک بلبرینگ LR60ابعاد : 12x30x8mm
جنس حلقه : کروم فولاد
جنس ساچمه : کروم فولاد
جنس قفسه : ورق فولاد
2RS : کاسه نمد لاستیکی در دو طرف بیرینگ
"غلتک LR۶۰۰۱ ۲RS"
شماره فنی :
LR6001-2RS
برای سفارش تماس بگیرید
- ارسال به سراسر ایران
- تضمین کیفیت کالا
مشخصات
مشخصات و اطلاعات فنی "غلتک LR6001 2RS غلتک بلبرینگ"
- شناسه
- B8020
- نوع
- غلتک بلبرینگ
- سری
- LR60
- نوع واشر
- 2RS
- جنس حلقه / حلقه ها
- کروم فولاد
- جنس ساچمه ها
- کروم فولاد
- جنس قفسه
- ورق فولاد
- قطر داخلی
- 12 میلی متر
- قطر خارجی
- 30 میلی متر
- پهنا
- 8 میلی متر
شمای فنی
دیگر بیرینگ های این سری
غلتک بلبرینگ سری LR60
" برای مشاهده اطلاعات هر محصول بر روی نام آن کلیک کنید "
| نام | عکس | d | D | B | درپوش | جنس حلقه | جنس ساچمه | جنس قفسه |
|---|---|---|---|---|---|---|---|---|
| LR6000-2RS | ![]() |
10 | 28 | 8 | 2RS | کروم فولاد | کروم فولاد | ورق فولاد |
| LR6001-2RS | ![]() |
12 | 30 | 8 | 2RS | کروم فولاد | کروم فولاد | ورق فولاد |
| LR6002-2RS | ![]() |
15 | 35 | 9 | 2RS | کروم فولاد | کروم فولاد | ورق فولاد |
| LR6002-2RS-TN | ![]() |
15 | 35 | 9 | 2RS | کروم فولاد | کروم فولاد | پلاستیک |
| LR6004-2RS-TN | ![]() |
20 | 47 | 12 | 2RS | کروم فولاد | کروم فولاد | پلاستیک |
check_circle
check_circle

جمع بندی