مشتریان گرامی با توجه به نوسانات قیمت لطفاً قبل از ثبت سفارش با کارشناسان فروش ما جهت مشاوره در تماس باشید.
ورود به حساب
منو
بلبرینگ شیار عمیق مینیاتوری F 692 2RS
Miniature Deep Groove Ball Bearing F 692 2RS
2446ﺷﻨﺎﺳﻪ:
B637
ﺩﺳﺘﻪ ﺑﻨﺪی:
بلبرینگ های شیار عمیق مینیاتوری F-MFابعاد : 2x6x3mm
جنس حلقه : کروم فولاد
جنس ساچمه : کروم فولاد
جنس قفسه : ورق فولاد
2RS : کاسه نمد لاستیکی در دو طرف بیرینگ
"بلبرینگ F ۶۹۲ ۲RS"
شماره فنی :
F-692-2RS
برای سفارش تماس بگیرید
- ارسال به سراسر ایران
- تضمین کیفیت کالا
مشخصات
مشخصات و اطلاعات فنی "بلبرینگ F 692 2RS شیار عمیق مینیاتوری"
- شناسه
- B637
- نوع
- بلبرینگ شیار عمیق مینیاتوری
- سری
- F-MF
- نوع واشر
- 2RS
- جنس حلقه / حلقه ها
- کروم فولاد
- جنس ساچمه ها
- کروم فولاد
- جنس قفسه
- ورق فولاد
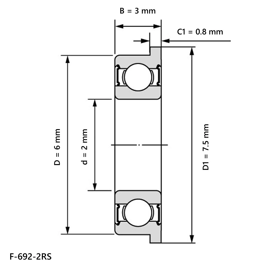
- قطر داخلی
- 2 میلی متر
- قطر خارجی
- 6 میلی متر
- پهنا
- 3 میلی متر
- لقی داخلی
- CN
- F
- ✓
- تعداد ردیف ساچمه
- 1 ردیف
شمای فنی
دیگر بیرینگ های این سری
بلبرینگ های شیار عمیق مینیاتوری سری F-MF
" برای مشاهده اطلاعات هر محصول بر روی نام آن کلیک کنید "
| نام | عکس | d | D | B | لقی | جنس حلقه | درپوش | جنس ساچمه | جنس قفسه | F |
|---|---|---|---|---|---|---|---|---|---|---|
| MF-52-2RS | ![]() |
2 | 5 | 2.5 | CN | کروم فولاد | 2RS | کروم فولاد | ورق فولاد | ✓ |
| MF-52-W2 | ![]() |
2 | 5 | 2 | CN | کروم فولاد | ندارد | کروم فولاد | ورق فولاد | ✓ |
| MF-52-ZZ | ![]() |
2 | 5 | 2.5 | CN | کروم فولاد | ZZ | کروم فولاد | ورق فولاد | ✓ |
| MF-62-ZZ | ![]() |
2 | 6 | 2.5 | CN | کروم فولاد | ZZ | کروم فولاد | ورق فولاد | ✓ |
| F-692-2RS | ![]() |
2 | 6 | 3 | CN | کروم فولاد | 2RS | کروم فولاد | ورق فولاد | ✓ |
نمایش همه
check_circle
check_circle



جمع بندی