مشتریان گرامی با توجه به نوسانات قیمت لطفاً قبل از ثبت سفارش با کارشناسان فروش ما جهت مشاوره در تماس باشید.
ورود به حساب
منو
بلبرینگ شیار عمیق F 6903 2RS
Deep Groove Ball Bearing F 6903 2RS
1593ﺷﻨﺎﺳﻪ:
B595
ﺩﺳﺘﻪ ﺑﻨﺪی:
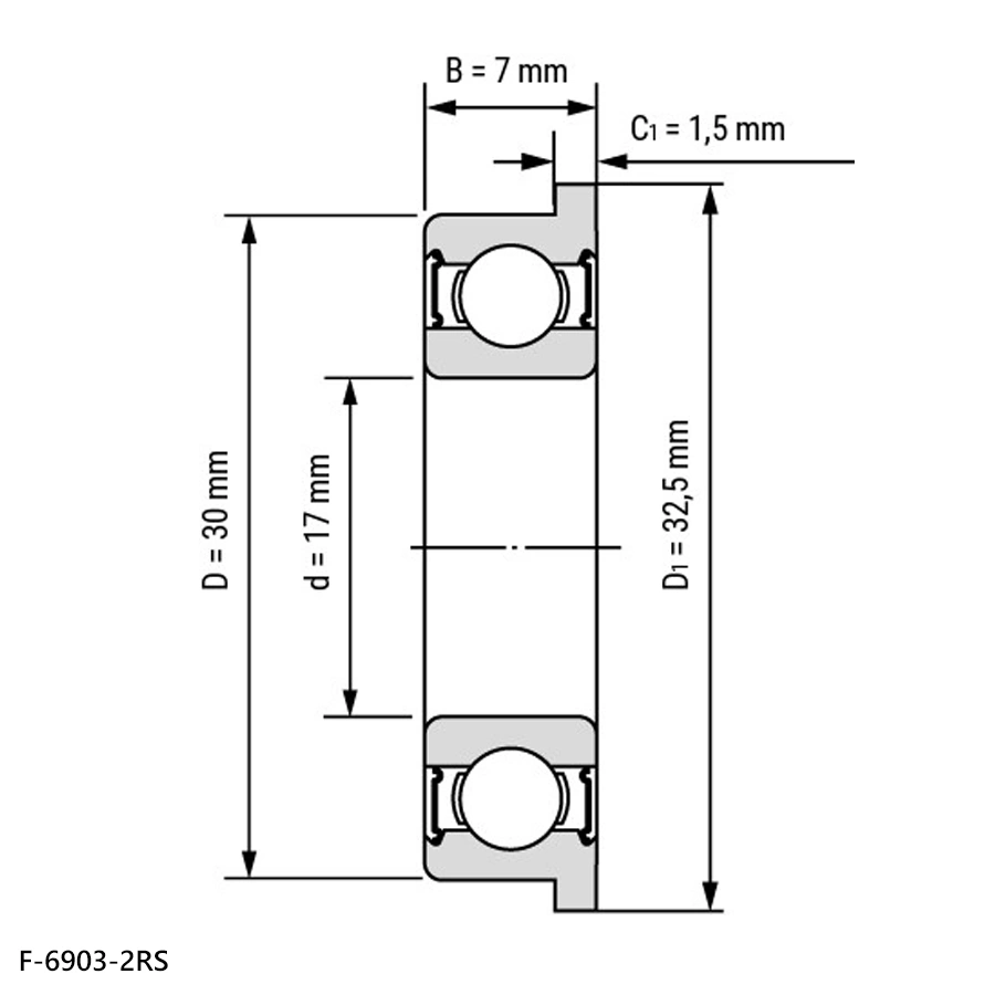
بلبرینگ های شیار عمیق F69ابعاد : 17x30x7mm
جنس حلقه : کروم فولاد
جنس ساچمه : کروم فولاد
جنس قفسه : ورق فولاد
2RS : کاسه نمد لاستیکی در دو طرف بیرینگ
"بلبرینگ F ۶۹۰۳ ۲RS"
شماره فنی :
F-6903-2RS
برای سفارش تماس بگیرید
- ارسال به سراسر ایران
- تضمین کیفیت کالا
مشخصات
مشخصات و اطلاعات فنی "بلبرینگ F 6903 2RS شیار عمیق"
- شناسه
- B595
- نوع
- بلبرینگ شیار عمیق
- سری
- F69
- نوع واشر
- 2RS
- جنس حلقه / حلقه ها
- کروم فولاد
- جنس ساچمه ها
- کروم فولاد
- جنس قفسه
- ورق فولاد
- قطر داخلی
- 17 میلی متر
- قطر خارجی
- 30 میلی متر
- پهنا
- 7 میلی متر
- لقی داخلی
- CN
- F
- ✓
- تعداد ردیف ساچمه
- 1 ردیف
شمای فنی
دیگر بیرینگ های این سری
بلبرینگ های شیار عمیق سری F69
" برای مشاهده اطلاعات هر محصول بر روی نام آن کلیک کنید "
| نام | عکس | d | D | B | لقی | جنس حلقه | درپوش | جنس ساچمه | جنس قفسه | F |
|---|---|---|---|---|---|---|---|---|---|---|
| F-6900-2RS | ![]() |
10 | 22 | 6 | CN | کروم فولاد | 2RS | کروم فولاد | ورق فولاد | ✓ |
| F-6900-ZZ | ![]() |
10 | 22 | 6 | CN | کروم فولاد | ZZ | کروم فولاد | ورق فولاد | ✓ |
| F-6901-2RS | ![]() |
12 | 24 | 6 | CN | کروم فولاد | 2RS | کروم فولاد | ورق فولاد | ✓ |
| F-6901-ZZ | ![]() |
12 | 24 | 6 | CN | کروم فولاد | ZZ | کروم فولاد | ورق فولاد | ✓ |
| F-6902-2RS | ![]() |
15 | 28 | 7 | CN | کروم فولاد | 2RS | کروم فولاد | ورق فولاد | ✓ |
نمایش همه
check_circle
check_circle


جمع بندی