مشتریان گرامی با توجه به نوسانات قیمت لطفاً قبل از ثبت سفارش با کارشناسان فروش ما جهت مشاوره در تماس باشید.
ورود به حساب
منو
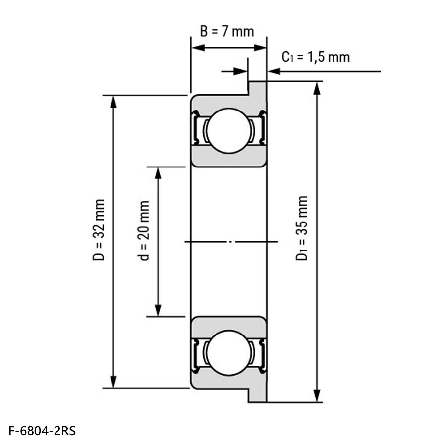
بلبرینگ شیار عمیق F 6804 2RS
Deep Groove Ball Bearing F 6804 2RS
1607ﺷﻨﺎﺳﻪ:
B761
ﺩﺳﺘﻪ ﺑﻨﺪی:
بلبرینگ های شیار عمیق F68ابعاد : 20x32x7mm
جنس حلقه : کروم فولاد
جنس ساچمه : کروم فولاد
جنس قفسه : ورق فولاد
2RS : کاسه نمد لاستیکی در دو طرف بیرینگ
"بلبرینگ F ۶۸۰۴ ۲RS"
شماره فنی :
F-6804-2RS
برای سفارش تماس بگیرید
- ارسال به سراسر ایران
- تضمین کیفیت کالا
مشخصات
مشخصات و اطلاعات فنی "بلبرینگ F 6804 2RS شیار عمیق"
- شناسه
- B761
- نوع
- بلبرینگ شیار عمیق
- سری
- F68
- نوع واشر
- 2RS
- جنس حلقه / حلقه ها
- کروم فولاد
- جنس ساچمه ها
- کروم فولاد
- جنس قفسه
- ورق فولاد
- قطر داخلی
- 20 میلی متر
- قطر خارجی
- 32 میلی متر
- پهنا
- 7 میلی متر
- لقی داخلی
- CN
- F
- ✓
- تعداد ردیف ساچمه
- 1 ردیف
شمای فنی
دیگر بیرینگ های این سری
بلبرینگ های شیار عمیق سری F68
" برای مشاهده اطلاعات هر محصول بر روی نام آن کلیک کنید "
| نام | عکس | d | D | B | لقی | جنس حلقه | درپوش | جنس ساچمه | جنس قفسه | F |
|---|---|---|---|---|---|---|---|---|---|---|
| F-6800-2RS | ![]() |
10 | 19 | 5 | CN | کروم فولاد | 2RS | کروم فولاد | ورق فولاد | ✓ |
| F-6800-ZZ | ![]() |
10 | 19 | 5 | CN | کروم فولاد | ZZ | کروم فولاد | ورق فولاد | ✓ |
| F-6801-2RS | ![]() |
12 | 21 | 5 | CN | کروم فولاد | 2RS | کروم فولاد | ورق فولاد | ✓ |
| F-6801-ZZ | ![]() |
12 | 21 | 5 | CN | کروم فولاد | ZZ | کروم فولاد | ورق فولاد | ✓ |
| F-6802-2RS | ![]() |
15 | 24 | 5 | CN | کروم فولاد | 2RS | کروم فولاد | ورق فولاد | ✓ |
نمایش همه
check_circle
check_circle


جمع بندی