مشتریان گرامی با توجه به نوسانات قیمت لطفاً قبل از ثبت سفارش با کارشناسان فروش ما جهت مشاوره در تماس باشید.
ورود به حساب
منو
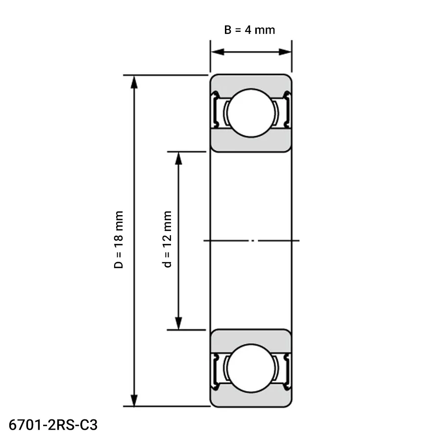
بلبرینگ شیار عمیق 6701 2RS C3
Deep Groove Ball Bearing 6701 2RS C3
2040ﺷﻨﺎﺳﻪ:
B346
ﺩﺳﺘﻪ ﺑﻨﺪی:
بلبرینگ های شیار عمیق 67ابعاد : 12x18x4mm
جنس حلقه : کروم فولاد
جنس ساچمه : کروم فولاد
جنس قفسه : ورق فولاد
2RS : کاسه نمد لاستیکی در دو طرف بیرینگ
C3 : لقی داخلی بیشتر از نرمال ( مناسب برای دور بالا )
"بلبرینگ ۶۷۰۱ ۲RS C۳"
شماره فنی :
6701-2RS-C3
برای سفارش تماس بگیرید
- ارسال به سراسر ایران
- تضمین کیفیت کالا
مشخصات
مشخصات و اطلاعات فنی "بلبرینگ 6701 2RS C3 شیار عمیق"
- شناسه
- B346
- نوع
- بلبرینگ شیار عمیق
- سری
- 67
- نوع واشر
- 2RS
- جنس حلقه / حلقه ها
- کروم فولاد
- جنس ساچمه ها
- کروم فولاد
- جنس قفسه
- ورق فولاد
- قطر داخلی
- 12 میلی متر
- قطر خارجی
- 18 میلی متر
- پهنا
- 4 میلی متر
- لقی داخلی
- C3
- تعداد ردیف ساچمه
- 1 ردیف
شمای فنی
دیگر بیرینگ های این سری
بلبرینگ های شیار عمیق سری 67
" برای مشاهده اطلاعات هر محصول بر روی نام آن کلیک کنید "
| نام | عکس | d | D | B | لقی | جنس حلقه | درپوش | جنس ساچمه | جنس قفسه |
|---|---|---|---|---|---|---|---|---|---|
| 6700-2RS | ![]() |
10 | 15 | 4 | CN | کروم فولاد | 2RS | کروم فولاد | ورق فولاد |
| 6700-2RS-C3 | ![]() |
10 | 15 | 4 | C3 | کروم فولاد | 2RS | کروم فولاد | ورق فولاد |
| 6700-C3 | ![]() |
10 | 15 | 4 | C3 | کروم فولاد | ندارد | کروم فولاد | ورق فولاد |
| 6700-ZZ | ![]() |
10 | 15 | 4 | CN | کروم فولاد | ZZ | کروم فولاد | ورق فولاد |
| 6700-ZZ-C3 | ![]() |
10 | 15 | 4 | C3 | کروم فولاد | ZZ | کروم فولاد | ورق فولاد |
نمایش همه
check_circle
check_circle



جمع بندی