مشتریان گرامی با توجه به نوسانات قیمت لطفاً قبل از ثبت سفارش با کارشناسان فروش ما جهت مشاوره در تماس باشید.
ورود به حساب
منو
بلبرینگ شیار عمیق 6305 NR 2RS
Deep Groove Ball Bearing 6305 NR 2RS
1691ﺷﻨﺎﺳﻪ:
B1018
ﺩﺳﺘﻪ ﺑﻨﺪی:
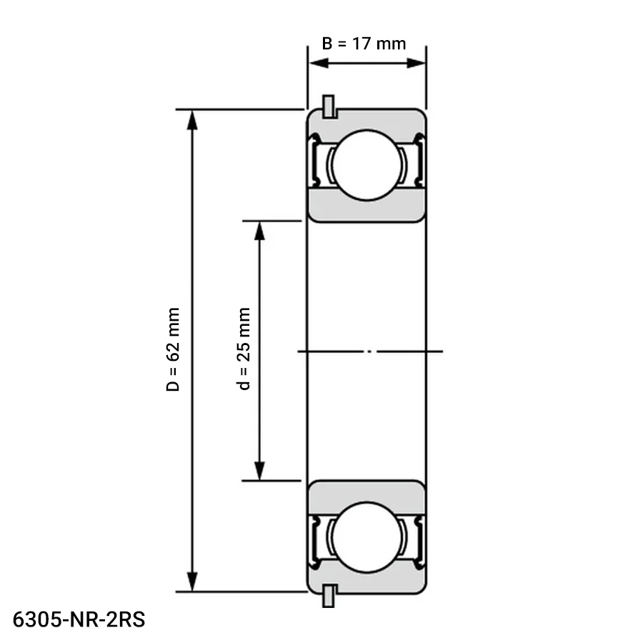
بلبرینگ های شیار عمیق 63-NRابعاد : 25x62x17mm
جنس حلقه : کروم فولاد
جنس ساچمه : کروم فولاد
جنس قفسه : ورق فولاد
2RS : کاسه نمد لاستیکی در دو طرف بیرینگ
"بلبرینگ ۶۳۰۵ NR ۲RS"
شماره فنی :
6305-NR-2RS
برای سفارش تماس بگیرید
- ارسال به سراسر ایران
- تضمین کیفیت کالا
مشخصات
مشخصات و اطلاعات فنی "بلبرینگ 6305 NR 2RS شیار عمیق"
- شناسه
- B1018
- نوع
- بلبرینگ شیار عمیق
- سری
- 63-NR
- نوع واشر
- 2RS
- جنس حلقه / حلقه ها
- کروم فولاد
- جنس ساچمه ها
- کروم فولاد
- جنس قفسه
- ورق فولاد
- قطر داخلی
- 25 میلی متر
- قطر خارجی
- 62 میلی متر
- پهنا
- 17 میلی متر
- لقی داخلی
- CN
- تعداد ردیف ساچمه
- 1 ردیف
- NR
- ✓
شمای فنی
دیگر بیرینگ های این سری
بلبرینگ های شیار عمیق سری 63-NR
" برای مشاهده اطلاعات هر محصول بر روی نام آن کلیک کنید "
| نام | عکس | d | D | B | لقی | جنس حلقه | درپوش | جنس ساچمه | NR |
|---|---|---|---|---|---|---|---|---|---|
| 6300-NR-2RS | ![]() |
10 | 35 | 11 | CN | کروم فولاد | 2RS | کروم فولاد | ✓ |
| 6301-NR-ZZ | ![]() |
12 | 37 | 12 | CN | کروم فولاد | ZZ | کروم فولاد | ✓ |
| 6302-NR-2RS | ![]() |
15 | 42 | 13 | CN | کروم فولاد | 2RS | کروم فولاد | ✓ |
| 6303-NR-2RS | ![]() |
17 | 47 | 14 | CN | کروم فولاد | 2RS | کروم فولاد | ✓ |
| 6303-NR-ZZ | ![]() |
17 | 47 | 14 | CN | کروم فولاد | ZZ | کروم فولاد | ✓ |
نمایش همه
check_circle
check_circle


جمع بندی