مشتریان گرامی با توجه به نوسانات قیمت لطفاً قبل از ثبت سفارش با کارشناسان فروش ما جهت مشاوره در تماس باشید.
ورود به حساب
منو
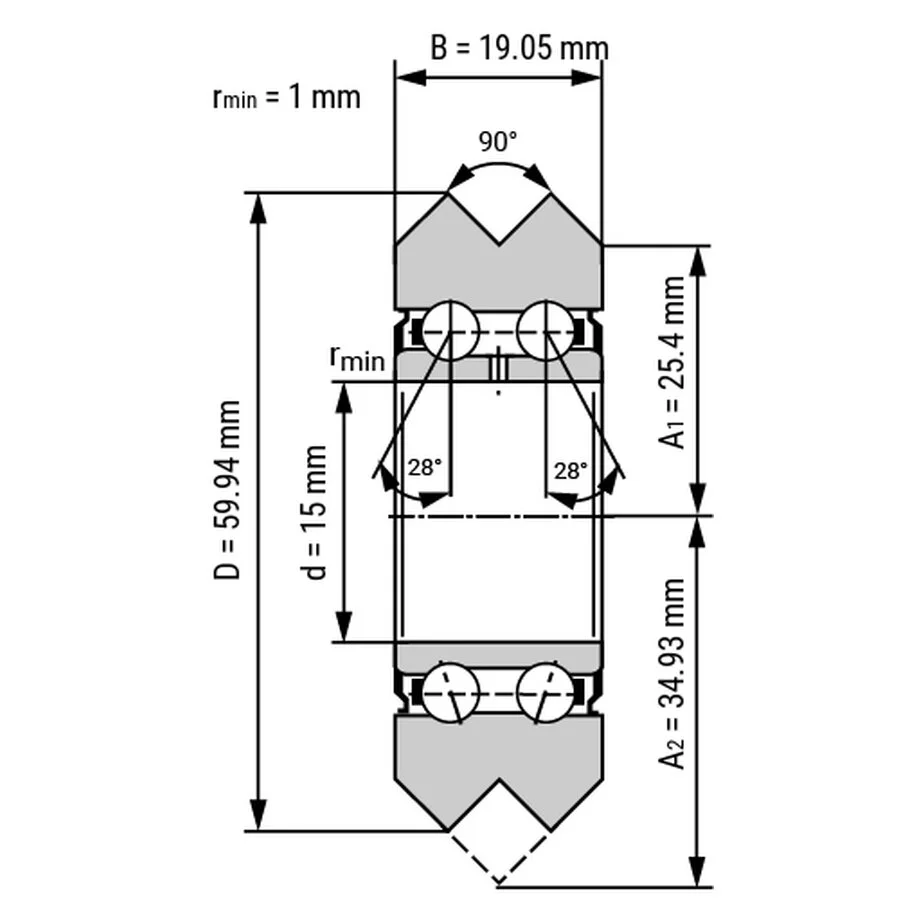
ابعاد : 15x59.94x19.05mm
جنس حلقه : کروم فولاد
جنس ساچمه : کروم فولاد
جنس قفسه : پلاستیک
ZZ : واشر فلزی در دو طرف بیرینگ
"غلتک W۴"
شماره فنی :
W4
برای سفارش تماس بگیرید
- ارسال به سراسر ایران
- تضمین کیفیت کالا
مشخصات
مشخصات و اطلاعات فنی "غلتک W4 غلتک بلبرینگ"
- شناسه
- B7836
- نوع
- غلتک بلبرینگ
- سری
- W
- نوع واشر
- ZZ
- جنس حلقه / حلقه ها
- کروم فولاد
- جنس ساچمه ها
- کروم فولاد
- جنس قفسه
- پلاستیک
- قطر داخلی
- 15 میلی متر
- قطر خارجی
- 59.94 میلی متر
- پهنا
- 19.05 میلی متر
شمای فنی
دیگر بیرینگ های این سری
غلتک بلبرینگ سری W
" برای مشاهده اطلاعات هر محصول بر روی نام آن کلیک کنید "
| نام | عکس | d | D | B | درپوش | جنس حلقه | جنس ساچمه | جنس قفسه | خمیدگی حلقه خارجی | مدل خمیدگی |
|---|---|---|---|---|---|---|---|---|---|---|
| W0 | ![]() |
4 | 14.84 | 6.35 | ZZ | کروم فولاد | کروم فولاد | پلاستیک | ✓ | W |
| W0X | ![]() |
4 | 14.84 | 6.35 | 2RS | کروم فولاد | کروم فولاد | پلاستیک | ✓ | W |
| W1 | ![]() |
4.763 | 19.56 | 7.87 | ZZ | کروم فولاد | کروم فولاد | پلاستیک | ✓ | W |
| W1X | ![]() |
4.763 | 19.56 | 7.87 | 2RS | کروم فولاد | کروم فولاد | پلاستیک | ✓ | W |
| W3 | ![]() |
12 | 45.72 | 15.88 | ZZ | کروم فولاد | کروم فولاد | پلاستیک | ✓ | W |
نمایش همه
check_circle
check_circle


جمع بندی