مشتریان گرامی با توجه به نوسانات قیمت لطفاً قبل از ثبت سفارش با کارشناسان فروش ما جهت مشاوره در تماس باشید.
ورود به حساب
منو
غلتک بلبرینگ LR208 2RS TN
Ball Type Track Roller LR208 2RS TN
1618ﺷﻨﺎﺳﻪ:
B7517
ﺩﺳﺘﻪ ﺑﻨﺪی:
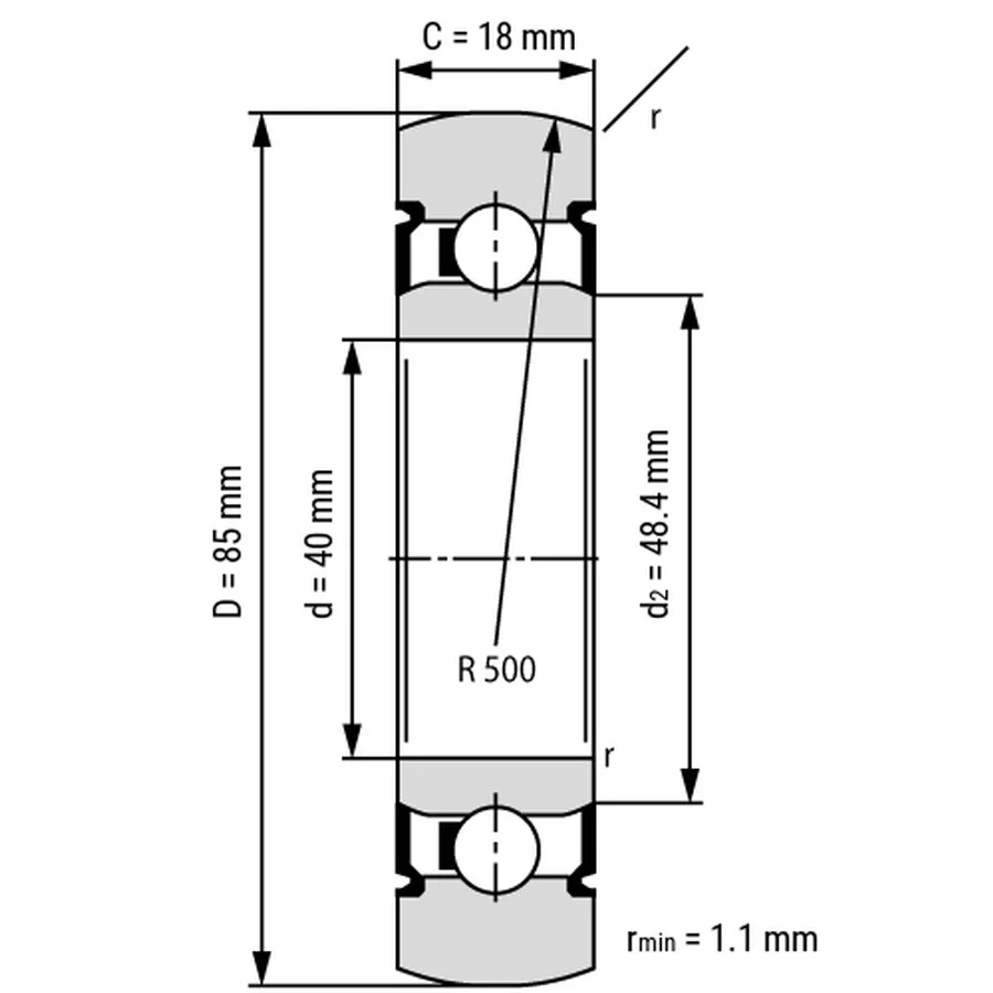
غلتک بلبرینگ LR2ابعاد : 40x85x18mm
جنس حلقه : کروم فولاد
جنس ساچمه : کروم فولاد
جنس قفسه : پلاستیک
2RS : کاسه نمد لاستیکی در دو طرف بیرینگ
"غلتک LR۲۰۸ ۲RS TN"
شماره فنی :
LR208-2RS-TN
برای سفارش تماس بگیرید
- ارسال به سراسر ایران
- تضمین کیفیت کالا
مشخصات
مشخصات و اطلاعات فنی "غلتک LR208 2RS TN غلتک بلبرینگ"
- شناسه
- B7517
- نوع
- غلتک بلبرینگ
- سری
- LR2
- نوع واشر
- 2RS
- جنس حلقه / حلقه ها
- کروم فولاد
- جنس ساچمه ها
- کروم فولاد
- جنس قفسه
- پلاستیک
- قطر داخلی
- 40 میلی متر
- قطر خارجی
- 85 میلی متر
- پهنا
- 18 میلی متر
شمای فنی
دیگر بیرینگ های این سری
غلتک بلبرینگ سری LR2
" برای مشاهده اطلاعات هر محصول بر روی نام آن کلیک کنید "
| نام | عکس | d | D | B | درپوش | جنس حلقه | جنس ساچمه | جنس قفسه |
|---|---|---|---|---|---|---|---|---|
| LR200-2RS | ![]() |
10 | 32 | 9 | 2RS | کروم فولاد | کروم فولاد | ورق فولاد |
| LR201-2RS | ![]() |
12 | 35 | 10 | 2RS | کروم فولاد | کروم فولاد | ورق فولاد |
| LR203-2RS | ![]() |
17 | 47 | 12 | 2RS | کروم فولاد | کروم فولاد | ورق فولاد |
| LR203-2RS-TN | ![]() |
17 | 47 | 12 | 2RS | کروم فولاد | کروم فولاد | پلاستیک |
| LR204-2RS | ![]() |
20 | 52 | 14 | 2RS | کروم فولاد | کروم فولاد | ورق فولاد |
نمایش همه
check_circle
check_circle

جمع بندی