مشتریان گرامی با توجه به نوسانات قیمت لطفاً قبل از ثبت سفارش با کارشناسان فروش ما جهت مشاوره در تماس باشید.
ورود به حساب
منو
غلتک بلبرینگ LR202 X 2RS
Ball Type Track Roller LR202 X 2RS
1615ﺷﻨﺎﺳﻪ:
B7522
ﺩﺳﺘﻪ ﺑﻨﺪی:
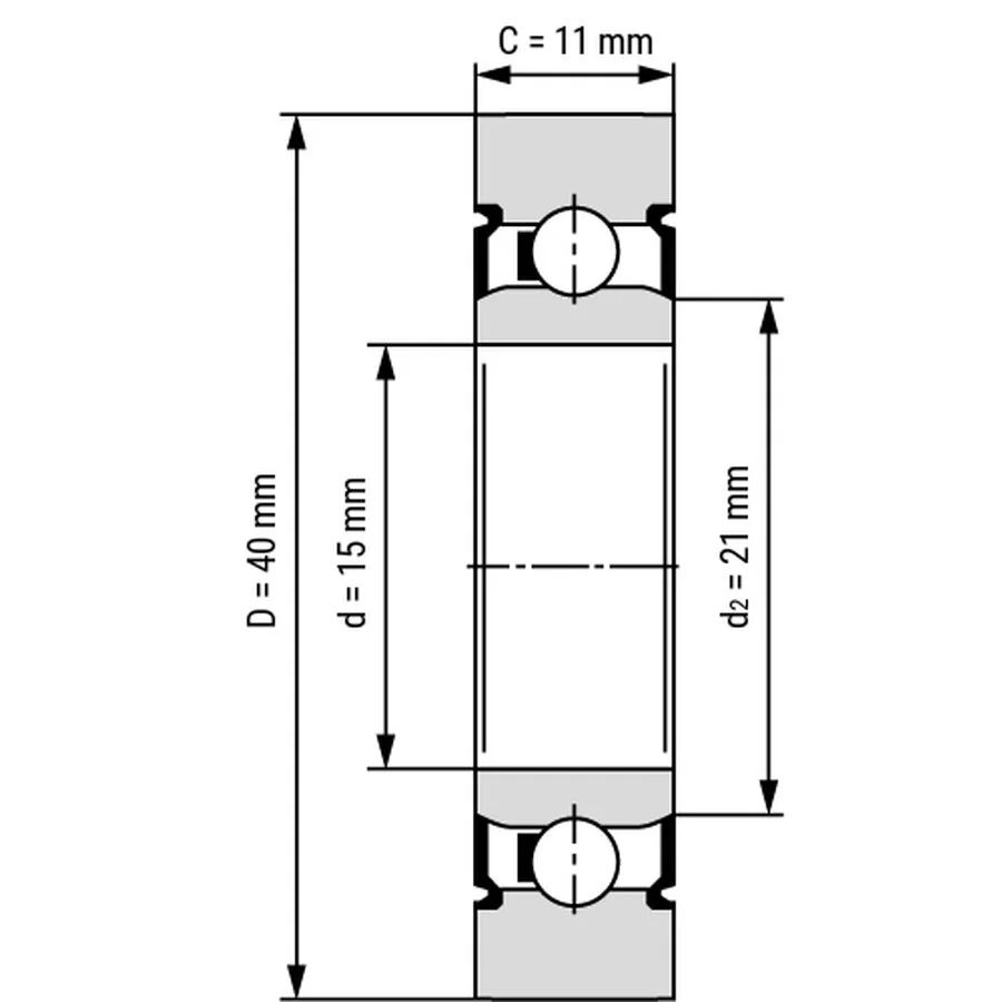
غلتک بلبرینگ LR2-Xابعاد : 15x40x11mm
جنس حلقه : کروم فولاد
جنس ساچمه : کروم فولاد
جنس قفسه : ورق فولاد
2RS : کاسه نمد لاستیکی در دو طرف بیرینگ
"غلتک LR۲۰۲ X ۲RS"
شماره فنی :
LR202-X-2RS
برای سفارش تماس بگیرید
- ارسال به سراسر ایران
- تضمین کیفیت کالا
مشخصات
مشخصات و اطلاعات فنی "غلتک LR202 X 2RS غلتک بلبرینگ"
- شناسه
- B7522
- نوع
- غلتک بلبرینگ
- سری
- LR2-X
- نوع واشر
- 2RS
- جنس حلقه / حلقه ها
- کروم فولاد
- جنس ساچمه ها
- کروم فولاد
- جنس قفسه
- ورق فولاد
- قطر داخلی
- 15 میلی متر
- قطر خارجی
- 40 میلی متر
- پهنا
- 11 میلی متر
شمای فنی
دیگر بیرینگ های این سری
غلتک بلبرینگ سری LR2-X
" برای مشاهده اطلاعات هر محصول بر روی نام آن کلیک کنید "
| نام | عکس | d | D | B | درپوش | جنس حلقه | جنس ساچمه | جنس قفسه |
|---|---|---|---|---|---|---|---|---|
| LR200-X-2RS | ![]() |
10 | 32 | 9 | 2RS | کروم فولاد | کروم فولاد | ورق فولاد |
| LR201-X-2RS | ![]() |
12 | 35 | 10 | 2RS | کروم فولاد | کروم فولاد | ورق فولاد |
| LR202-X-2RS | ![]() |
15 | 40 | 11 | 2RS | کروم فولاد | کروم فولاد | ورق فولاد |
| LR203-X-2RS | ![]() |
17 | 47 | 12 | 2RS | کروم فولاد | کروم فولاد | ورق فولاد |
| LR204-X-2RS | ![]() |
20 | 52 | 14 | 2RS | کروم فولاد | کروم فولاد | ورق فولاد |
نمایش همه
check_circle
check_circle

جمع بندی