مشتریان گرامی با توجه به نوسانات قیمت لطفاً قبل از ثبت سفارش با کارشناسان فروش ما جهت مشاوره در تماس باشید.
ورود به حساب
منو
غلتک بلبرینگ LFR50/5 6 ZZ TN
Ball Type Track Roller LFR50/5 6 ZZ TN
1798ﺷﻨﺎﺳﻪ:
B7459
ﺩﺳﺘﻪ ﺑﻨﺪی:
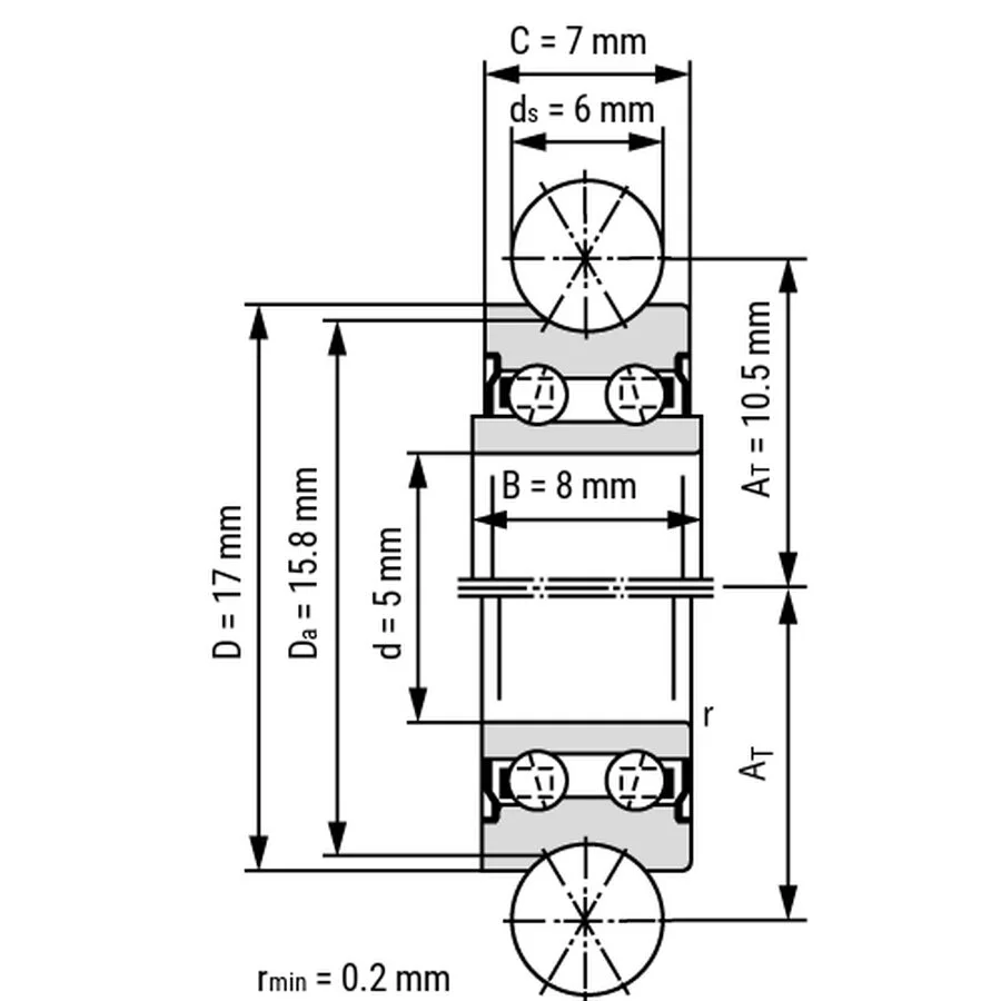
غلتک بلبرینگ LFRابعاد : 5x17x8mm
جنس حلقه : کروم فولاد
جنس ساچمه : کروم فولاد
جنس قفسه : پلاستیک
ZZ : واشر فلزی در دو طرف بیرینگ
"غلتک LFR۵۰/۵ ۶ ZZ TN"
شماره فنی :
LFR50/5-6-ZZ-TN
برای سفارش تماس بگیرید
- ارسال به سراسر ایران
- تضمین کیفیت کالا
مشخصات
مشخصات و اطلاعات فنی "غلتک LFR50/5 6 ZZ TN غلتک بلبرینگ"
- شناسه
- B7459
- نوع
- غلتک بلبرینگ
- سری
- LFR
- نوع واشر
- ZZ
- جنس حلقه / حلقه ها
- کروم فولاد
- جنس ساچمه ها
- کروم فولاد
- جنس قفسه
- پلاستیک
- قطر داخلی
- 5 میلی متر
- قطر خارجی
- 17 میلی متر
- پهنا
- 8 میلی متر
شمای فنی
دیگر بیرینگ های این سری
غلتک بلبرینگ سری LFR
" برای مشاهده اطلاعات هر محصول بر روی نام آن کلیک کنید "
| نام | عکس | d | D | B | درپوش | جنس حلقه | جنس ساچمه | جنس قفسه | خمیدگی حلقه خارجی | مدل خمیدگی |
|---|---|---|---|---|---|---|---|---|---|---|
| LFR50/5-4-2RS | ![]() |
5 | 16 | 8 | 2RS | کروم فولاد | کروم فولاد | پلاستیک | ✓ | gothic |
| LFR50/5-4-2RS-TN | ![]() |
5 | 16 | 8 | 2RS | کروم فولاد | کروم فولاد | پلاستیک | ✓ | gothic |
| LFR50/5-4-ZZ-TN | ![]() |
5 | 16 | 8 | ZZ | کروم فولاد | کروم فولاد | پلاستیک | ✓ | gothic |
| LFR50/5-6-2RS | ![]() |
5 | 17 | 8 | 2RS | کروم فولاد | کروم فولاد | پلاستیک | ✓ | gothic |
| LFR50/5-6-2RS-TN | ![]() |
5 | 17 | 8 | 2RS | کروم فولاد | کروم فولاد | پلاستیک | ✓ | gothic |
نمایش همه
check_circle
check_circle


جمع بندی