مشتریان گرامی با توجه به نوسانات قیمت لطفاً قبل از ثبت سفارش با کارشناسان فروش ما جهت مشاوره در تماس باشید.
  
                  
  
  
        
      
      ورود به حساب
     
    
    
    
  
                    
                        
                        
                        
                    
                    منو
                
                
            رولبرینگ مخروطی 30205
Tapered Roller Bearing 30205
1746ﺷﻨﺎﺳﻪ:
B5433
ﺩﺳﺘﻪ ﺑﻨﺪی:
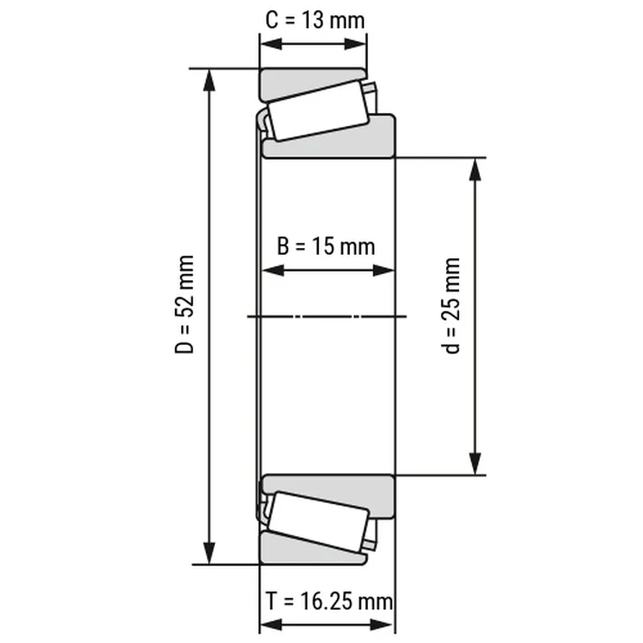
رولبرینگ های مخروطی 302ابعاد : 25x52x15mm
جنس حلقه : کروم فولاد
جنس ساچمه : کروم فولاد
جنس قفسه : کروم فولاد
"رولبرینگ ۳۰۲۰۵"
شماره فنی :
30205
                        برای سفارش تماس بگیرید
                    
                - ارسال به سراسر ایران
 - تضمین کیفیت کالا
 
          مشخصات
        
            مشخصات و اطلاعات فنی "رولبرینگ 30205 رولبرینگ های مخروطی"
- شناسه
 - B5433
 - نوع
 - رولبرینگ مخروطی
 - سری
 - 302
 - نوع واشر
 - ندارد
 - جنس حلقه / حلقه ها
 - کروم فولاد
 - جنس ساچمه ها
 - کروم فولاد
 - جنس قفسه
 - کروم فولاد
 - قطر داخلی
 - 25 میلی متر
 - قطر خارجی
 - 52 میلی متر
 - پهنا
 - 15 میلی متر
 - پهنای حلقه خارجی
 - 13 میلی متر
 - پهنای کلی
 - 16.25 میلی متر
 
              شمای فنی
            
            
                          
  دیگر بیرینگ های این سری
رولبرینگ های مخروطی سری 302
" برای مشاهده اطلاعات هر محصول بر روی نام آن کلیک کنید "
| نام | عکس | d | D | C | T | B | جنس حلقه | جنس ساچمه | جنس قفسه | 
|---|---|---|---|---|---|---|---|---|---|
| 30202 | ![]()  | 
                                15 | 35 | 10 | 11.75 | 11 | کروم فولاد | کروم فولاد | کروم فولاد | 
| 30203 | ![]()  | 
                                17 | 40 | 11 | 13.25 | 12 | کروم فولاد | کروم فولاد | کروم فولاد | 
| 30204 | ![]()  | 
                                20 | 47 | 12 | 15.25 | 14 | کروم فولاد | کروم فولاد | کروم فولاد | 
| 30205 | ![]()  | 
                                25 | 52 | 13 | 16.25 | 15 | کروم فولاد | کروم فولاد | کروم فولاد | 
| 30206 | ![]()  | 
                                30 | 62 | 14 | 17.25 | 16 | کروم فولاد | کروم فولاد | کروم فولاد | 
نمایش همه
check_circle
check_circle
                
 
 
 
جمع بندی